2014年一级注册建造师水利水电每日练习205
2014年一级建造师报名时间已经于2014年5月开始。敬请广大考生密切关注一级建造师频道,我们将第一时间公布最新报名信息!
一级建造师网校整理了2014年一级建造师考试水利水电每日练习资料,供广大考生备考2014年一级建造师考试,祝您顺利通过一级建造师考试!
1、(0分) 不合格单元工程必须经返工或补工合格并取得( )认证后,方准予允许下道工序或后序单元工程开工.A.项目法人
B.质监机构
C.水行政部门
D.监理工程师
正确答案:d
- 解析:d
2、(0分)
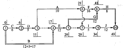
某土石坝分部工程的网络计划如下图,计算工期为44天。根据技术方案,定A、D、I三项工作使用一台机械顺序施工。

①计算工期是多少天?
②机械在现场的使用和闲置时间各是多少天?
(2)如按D→A→I顺序组织施工,则网络计划变为如下图所示:

①计算工期是多少天?
②机械在现场的使用和闲置时间各是多少天?
(3)比较以上两个方案,判断哪个方案更好。
(4)若监理批准D→A→I顺序施工,施工中由于项目法人原因,B项工作时间延长5天,承包商提出要求延长5天工期。网络计划如下图所示。

①你认为工期延长几天合理?为什么?
②机械闲置的时间为多少天?
- 解析:(1)工期及机械在现场使用时间的计算方法:
①工期应以各项工作的最早时间进行计算,可以根据公式计算法或图上计算法计算出各项工作的最早完成时间,终点节点的紧前工作最早完成时间最大值即为计算工期;也可以根据节点计算法计算出终点节点最早时间,得出计算工期。
本例计算工期为47天。
②机械在现场的使用时间应将各项工件使用机械的时间累计计算;闲置时间应考虑各项工作使用机械的时间差,也即是前项工作最早完成时间与该工作最早开始时间的差值为该两项工作机械闲置时间,将各闲置时间累计计算,就可计算出机械在该工程中的闲置时间。
本例机械在现场的使用时间是20天,闲置时间是12天。
(2)分析思路同1。
按D→A→I顺序组织施工的网络图如图。
①计算工期为45天。
②机械在现场的使用时间是20天,闲置时间是3天。
(3)将两个方案的计算工期和机械闲置时间分别进行比较,工期短、机械闲置时间少的方案为最优方案。
本例按A→D→I的顺序施工,工期较长(47天),机械闲置时间较多(12天);按D→A→I顺序施工,工期较短(45天),机械闲置时间较少(3天),所以按D→A→I顺序施工的方案较优。
(4)工期延误及机械闲置时间的分析计算方法:
①一项工作被延误,是否对工程工期造成影响,应首先考虑该项工作是否在关键线路上。如果在关键线路上,则工期延误的时间就等于该项工作的延误时间;如果该项工作不在关键线路上,应计算出该项工作的总时差,用总时差与延误时间进行比较,计算出对工期的影响。同时应比较工期延误后按D→A→I顺序施工的工期和A→D→I顺序施工的工期。
本例中,B项工作时间延长5天后,关键路线变为如图所示:
总工期为49天,工期延长△T=49-45=4天,所以工期延长4天合理。
②机械的闲置时间分析方法同上。
工作A的最早完成时间为第21天,工作I的最早开始时间为第29天,△T=29-21=8天。扣除原计划机械中已有的闲置时间3天,那么承包商可索赔的机械闲置时间为:△T=8-3=5天。
(1)工期及机械在现场使用时间的计算方法:
①工期应以各项工作的最早时间进行计算,可以根据公式计算法或图上计算法计算出各项工作的最早完成时间,终点节点的紧前工作最早完成时间最大值即为计算工期;也可以根据节点计算法计算出终点节点最早时间,得出计算工期。
本例计算工期为47天。
②机械在现场的使用时间应将各项工件使用机械的时间累计计算;闲置时间应考虑各项工作使用机械的时间差,也即是前项工作最早完成时间与该工作最早开始时间的差值为该两项工作机械闲置时间,将各闲置时间累计计算,就可计算出机械在该工程中的闲置时间。
本例机械在现场的使用时间是20天,闲置时间是12天。
(2)分析思路同1。
按D→A→I顺序组织施工的网络图如图。
①计算工期为45天。
②机械在现场的使用时间是20天,闲置时间是3天。
(3)将两个方案的计算工期和机械闲置时间分别进行比较,工期短、机械闲置时间少的方案为最优方案。
本例按A→D→I的顺序施工,工期较长(47天),机械闲置时间较多(12天);按D→A→I顺序施工,工期较短(45天),机械闲置时间较少(3天),所以按D→A→I顺序施工的方案较优。
(4)工期延误及机械闲置时间的分析计算方法:
①一项工作被延误,是否对工程工期造成影响,应首先考虑该项工作是否在关键线路上。如果在关键线路上,则工期延误的时间就等于该项工作的延误时间;如果该项工作不在关键线路上,应计算出该项工作的总时差,用总时差与延误时间进行比较,计算出对工期的影响。同时应比较工期延误后按D→A→I顺序施工的工期和A→D→I顺序施工的工期。
本例中,B项工作时间延长5天后,关键路线变为如图所示:
总工期为49天,工期延长△T=49-45=4天,所以工期延长4天合理。
②机械的闲置时间分析方法同上。
工作A的最早完成时间为第21天,工作I的最早开始时间为第29天,△T=29-21=8天。扣除原计划机械中已有的闲置时间3天,那么承包商可索赔的机械闲置时间为:△T=8-3=5天。
考试交流区成绩查询交流群(点击加入QQ群可快速加群交流成绩查询相关信息我们会及时在群里通知):
温馨提示:有任何报考及考试相关疑问,可添加网校专业老师个人微信号“edu24olxu”咨询。!考生可下载手机APP,随时掌握考试资讯!

扫一扫上面的二维码,添加老师个人微信号,所有课程七折开通
相关推荐:相关文章
版权声明 --------------------------------------------------------------------------------------
如果本站所转载内容不慎侵犯了您的权益,请与我们联系
,我们将会及时处理。如转载本站内容,请注明来源:一级建造师考试网(www.jzsedu.org)。
如果本站所转载内容不慎侵犯了您的权益,请与我们联系
,我们将会及时处理。如转载本站内容,请注明来源:一级建造师考试网(www.jzsedu.org)。






