2013年一级注册建造师水利水电每日练习96
一级建造师网校为了让考生们更好的备考,特别收集整理了一级注册建造师水利水电工程管理与实务试题资料,希望这些资料对大家有所帮助:
1、(0分) 构成岩基的物质是( ).
A.喀斯特
B.黏土
C.粉土
D.壤土c
A.喀斯特
B.黏土
C.粉土
D.壤土c
- 正确答案:a
- 解析:a
2、(0分)
某水利工程,施工单位按招标文件中提供的工程量清单作出报价见下表。施工合同约定:工程预付款为合同总价的20%,单独支付;从工程款累计总额达到合同

总价10%的月份开始,按当月工程进度款的30%扣回,扣完为止;施工过程中发生的设计变更,采用以直接工程费为计算基础的全费用综合单价计价,间接费费率10%,利润率5%,计税系数3.41%。经项目监理机构批准的施工进度计划如图所示(时间单位:月)。

施工开始后遇到季节性的阵雨,施工单位对已完工程采取了保护措施并发生了保护措施费;为了确保工程安全,施工单位提高了安全防护等级,发生了防护措施费。施工单位提出,上述两项费用应由建设单位另行支付。
施工至第2个月末,建设单位要求进行设计变更,该变更增加了一新的分部工程N,根据工艺要求,N在E结束以后开始,在H开始前完成,持续时间1个月,N工作的直接工程费为400元/m3,工程量为3000m3。
问题:
(1)施工单位提出发生的保护措施费和防护措施费由建设单位另行支付是否合理?说明理由。
(2)新增分部工程N的全费用综合单价及工程变更后增加的款额是多少?(计算结果保留2位小数)
(3)该工程合同总价是多少?增加N工作后的工程造价是多少?该工程预付款是多少?
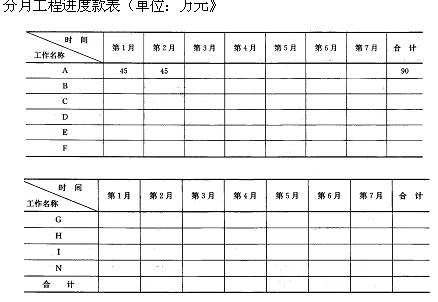
(4)若该工程的各项工作均按最早开始时间安排,各工作均按匀速完成,且各工作实际工程量与估计工程量无差异,在下表中填入除A工作外其余各项工作分月工程款及合计值。
(5)计算第1个月至第4个月的工程结算款。


- 解析:(1)要求建设单位另行支付工程保护措施费不合理,因为该部分费用已包括在合同价中(或属施工单位支付的费用);
要求建设单位另行支付安全防护费不合理,因为该部分费用已包括在合同价中(或属施工单位支付的费用)。
(2)全费用综合单价(也可合并计算): .
①N的直接工程费=400元/m3
②间接费=①×10%=400×10%=40元/m3
③利润=(①+②)×5%=(400+40)×5%=22元/m3
④税金=(①+②+③)×3.41%=(400+40+22)×3.41%=15.75元/m3
⑤全费用综合单价=①+②+③+④=400+40+22+15.75=477.75元/m3
(或①N的直接工程费=400×3000=1200000元
②间接费=①×10%=1200000×10%=120000元
③利润=(①+②)×5%=(1200000+120000)×5%=66000元
④税金=(①+②+③)×3.41%=(1200000+120000+66000)×3.41%=47263元
⑤全费用综合单价=(①+②+③+④)÷3000
=(1200000+120000+66000+47263)÷3000=477.75元/m3
工程变更后增加的款额=477.75×3000=1433250元=143.33万元
(3)计算如下:
¨ ①该工程合同总价=90+25+200+240+380+320+100+240+140=1735万元
②增加N工作后的工程造价=1735+143.33=1878.33万元
③该工程预付款=1735×20%=347万元
(4)各项工作分月工程款及合计值见表
(5)总额达到合同总价10%的工程款累计值为:
1735×10%=173.5万元
故工程预付款从第2个月开始扣还。
第1个月至第4个月每月结算款各为:
第1个月:170万元
第2个月:
扣工程预付款145×30%=43.5万元
结算款为:145-43.5=101.5万元
第3个月:
扣工程预付款750×30%=225万元 .
结算款为:750-225=525万元
第4个月:
290×30%=87>工程预付款余额=347一43.5-225=78.5万元
故该月扣预付款为额78.5万元
结算款为:290-78.5=211.5万元
(1)要求建设单位另行支付工程保护措施费不合理,因为该部分费用已包括在合同价中(或属施工单位支付的费用);
要求建设单位另行支付安全防护费不合理,因为该部分费用已包括在合同价中(或属施工单位支付的费用)。
(2)全费用综合单价(也可合并计算): .
①N的直接工程费=400元/m3
②间接费=①×10%=400×10%=40元/m3
③利润=(①+②)×5%=(400+40)×5%=22元/m3
④税金=(①+②+③)×3.41%=(400+40+22)×3.41%=15.75元/m3
⑤全费用综合单价=①+②+③+④=400+40+22+15.75=477.75元/m3
(或①N的直接工程费=400×3000=1200000元
②间接费=①×10%=1200000×10%=120000元
③利润=(①+②)×5%=(1200000+120000)×5%=66000元
④税金=(①+②+③)×3.41%=(1200000+120000+66000)×3.41%=47263元
⑤全费用综合单价=(①+②+③+④)÷3000
=(1200000+120000+66000+47263)÷3000=477.75元/m3
工程变更后增加的款额=477.75×3000=1433250元=143.33万元
(3)计算如下:
¨ ①该工程合同总价=90+25+200+240+380+320+100+240+140=1735万元
②增加N工作后的工程造价=1735+143.33=1878.33万元
③该工程预付款=1735×20%=347万元
(4)各项工作分月工程款及合计值见表
(5)总额达到合同总价10%的工程款累计值为:
1735×10%=173.5万元
故工程预付款从第2个月开始扣还。
第1个月至第4个月每月结算款各为:
第1个月:170万元
第2个月:
扣工程预付款145×30%=43.5万元
结算款为:145-43.5=101.5万元
第3个月:
扣工程预付款750×30%=225万元 .
结算款为:750-225=525万元
第4个月:
290×30%=87>工程预付款余额=347一43.5-225=78.5万元
故该月扣预付款为额78.5万元
结算款为:290-78.5=211.5万元
[1] [2] 
考试交流区成绩查询交流群(点击加入QQ群可快速加群交流成绩查询相关信息我们会及时在群里通知):
温馨提示:有任何报考及考试相关疑问,可添加网校专业老师个人微信号“edu24olxu”咨询。!考生可下载手机APP,随时掌握考试资讯!

扫一扫上面的二维码,添加老师个人微信号,所有课程七折开通
相关推荐:相关文章
版权声明 --------------------------------------------------------------------------------------
如果本站所转载内容不慎侵犯了您的权益,请与我们联系
,我们将会及时处理。如转载本站内容,请注明来源:一级建造师考试网(www.jzsedu.org)。
如果本站所转载内容不慎侵犯了您的权益,请与我们联系
,我们将会及时处理。如转载本站内容,请注明来源:一级建造师考试网(www.jzsedu.org)。学员登陆
网校历年通过率

环球网校一级建造师历年通过率比较
![]() 张君老师 |
张君老师:建造师管理授课老师,硕士。课堂气氛活跃,善于调动学员积极性,被学员称为神君老师。..[详细] |
![]() 陈明教授 |
陈明:市政授课老师。有“市政之神”和“建造师市政第一人”的美誉。工程实践培训经验丰富,授课思路清晰..[详细] |





