2013年一级注册建造师水利水电每日练习80
一级建造师网校为了让考生们更好的备考,特别收集整理了一级注册建造师水利水电工程管理与实务试题资料,希望这些资料对大家有所帮助:
1、(0分)
某水利工程项目业主与监理单位、施工单位分别签订了监理合同和施工合同。施工合同要求不得分包工程。本项目合同工期为22 个月。
在工程开工前,施工单位在合同约定的日期内向总监理工程师提交了施工总进度计划(如图2 所示)和一份工程报告。
工程报告的主要内容是:
1.鉴于本项目安装专业的进口设备,需要将设备安装工程分包给专业安装公司。
2.本项目两侧临街,且为繁华交通要道,故需在施工之前搭设遮盖式防护棚,以保证过往行人安全。此项费用未包含在投标报价中,业主应另行支付。
总监理工程师对施工单位提交的施工进度计划和工程报告进行了审核。施工单位在按总监理工程师确认的进度计划施工0.5 个月后,因业主要求需要修改设计,致使工作K(混凝土工程)停工待图2.5个月。设计变更后,施工单位及时通过总监理工程师向业主提出索赔申请(见表1)。

在施工过程中,部分施工机械由于运输原因未能按时进场,致使工作H 的实际进度在第12 月底时拖后1 个月。
在工作F 进行过程中,发生质量事故,总监理工程师下令停工,组织召开现场会议,分析事故原因。该质量事故是由于施工单位施工工艺不符合施工规范要求所致。总监理工程师责成施工单位返工,工作F 的实际进度在第12 月底时拖后1 个月。
问题
1.为了确保本项目工期目标的实现,施工进度计划中哪些工作应作为重点控制对象?为什么?
2.总监理工程师应如何处理施工单位工程报告中的各项要求?
3.施工单位在索赔申请表中所列的内容和数量,经监理工程师审查后均属真实,但费用计算有不妥之处,请说明费用计算不妥的项目及理由。
4.监理工程师在处理质量事故时所需的资料有哪些?
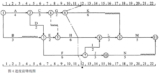
5.请在原进度计划中用前锋线表示出第12 月底时工作K、H 和F 的实际进展情况,并分析进度偏差对工程总工期的影响。
6.如果施工单位提出工期顺延2.5 个月的要求,总监理工程师应批准工程延期多少?为什么?
- 解析:1.工作A、D、E、H、L、M、F、I 应作为重点控制对象。因为它们是关键工作(总时差为零)。判断关键线路方法,从时标网络计划的终点节点起逆箭头方向到网络计划起点节点的通路上,没有波形线的线路就是关键线路。从该时标网络计划上可以看出有两条关键线路,关键线路上的工作即为关键工作。
2.工程报告内容中的第1 条分包问题,监理工程师报业主批准。如果业主同意分包,监理工程师需要审查分包商资质。如果业主不同意分包,则不得分包。工程报告中第2 条内容,此项费用不应由业主支付。
3.施工单位的索赔申请表中的第2、3 项费用计算不妥。因为设备闲置不能按台班费计算(或应按折旧费、租赁费或闲置补偿计算),人工窝工不能按工日费计算(或应按窝工补偿计算)。
4.处理质量事故时所需资料:
(1)与工程质量事故有关的施工图;
(2)与工程施工有关的资料、记录;
(3)事故调查分析报告。
5.前锋线如图4 所示。
从图上看出:
(1)工作K 拖后2.5 个月,其总时差为2 个月,故将影响工期0.5 个月。
(2)工作H 拖后1 个月,其总时差为零,故将使工期延长1 个月。
(3)工作F 拖后1 个月,其总时差为零,故将使工期延长1 个月。
综上所述,由于工作K、H 和F 的拖后,工期将延长1 个月。
6.监理工程师应批准工程延期0.5 个月。因为工作H、F 的拖后均属施工单位自身的原因造成的,
只有工作K 的拖后可以考虑给予工程延期。
由于工作K 原有总时差为2 个月,2.5—2=0.5(月),故监理工程师应批准工程延期0.5 个月。
1.工作A、D、E、H、L、M、F、I 应作为重点控制对象。因为它们是关键工作(总时差为零)。判断关键线路方法,从时标网络计划的终点节点起逆箭头方向到网络计划起点节点的通路上,没有波形线的线路就是关键线路。从该时标网络计划上可以看出有两条关键线路,关键线路上的工作即为关键工作。
2.工程报告内容中的第1 条分包问题,监理工程师报业主批准。如果业主同意分包,监理工程师需要审查分包商资质。如果业主不同意分包,则不得分包。工程报告中第2 条内容,此项费用不应由业主支付。
3.施工单位的索赔申请表中的第2、3 项费用计算不妥。因为设备闲置不能按台班费计算(或应按折旧费、租赁费或闲置补偿计算),人工窝工不能按工日费计算(或应按窝工补偿计算)。
4.处理质量事故时所需资料:
(1)与工程质量事故有关的施工图;
(2)与工程施工有关的资料、记录;
(3)事故调查分析报告。
5.前锋线如图4 所示。
从图上看出:
(1)工作K 拖后2.5 个月,其总时差为2 个月,故将影响工期0.5 个月。
(2)工作H 拖后1 个月,其总时差为零,故将使工期延长1 个月。
(3)工作F 拖后1 个月,其总时差为零,故将使工期延长1 个月。
综上所述,由于工作K、H 和F 的拖后,工期将延长1 个月。
6.监理工程师应批准工程延期0.5 个月。因为工作H、F 的拖后均属施工单位自身的原因造成的,
只有工作K 的拖后可以考虑给予工程延期。
由于工作K 原有总时差为2 个月,2.5—2=0.5(月),故监理工程师应批准工程延期0.5 个月。
[1] [2] 
考试交流区成绩查询交流群(点击加入QQ群可快速加群交流成绩查询相关信息我们会及时在群里通知):
温馨提示:有任何报考及考试相关疑问,可添加网校专业老师个人微信号“edu24olxu”咨询。!考生可下载手机APP,随时掌握考试资讯!

扫一扫上面的二维码,添加老师个人微信号,所有课程七折开通
相关推荐:相关文章
版权声明 --------------------------------------------------------------------------------------
如果本站所转载内容不慎侵犯了您的权益,请与我们联系
,我们将会及时处理。如转载本站内容,请注明来源:一级建造师考试网(www.jzsedu.org)。
如果本站所转载内容不慎侵犯了您的权益,请与我们联系
,我们将会及时处理。如转载本站内容,请注明来源:一级建造师考试网(www.jzsedu.org)。学员登陆
网校历年通过率

环球网校一级建造师历年通过率比较
![]() 张君老师 |
张君老师:建造师管理授课老师,硕士。课堂气氛活跃,善于调动学员积极性,被学员称为神君老师。..[详细] |
![]() 陈明教授 |
陈明:市政授课老师。有“市政之神”和“建造师市政第一人”的美誉。工程实践培训经验丰富,授课思路清晰..[详细] |





