2011年一级建造师水利水电备考试题三(4)
2011年一级建造师水利水电备考试题三(4)
|
| 31、
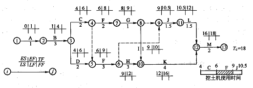
某水利水电工程项目的原施工进度网络计划(双代号)如图1F420160-6所示。该工程总工期为18个月。在上述网络计划中,工作C、F、J三项工仵均为土方工程,土方工程量分别为7000m3、10000m3、6000m3,共计23000m3,土方单价为15元/m3。合同中规定,土方工程量增加超出原估算工程量25%时,新的土方单价可从原来的15元/m3下降到13元/m3。合同约定机械每台闲置1天为800元,每月以30天计;C、F、J实际工作量与计划工作量相同。 ![]() 施工中发生如下事件: 事件1:施工中,由于施工单位施工设备调度原因,C、F、J工作需使用同一台挖土机先后施工。 事件2:在工程按计划进行4个月后(已完成A、B两项工作的施工),项目法人提出增加一项新的土方工程N,该项工作要求在F工作结束以后开始,并在G工作开始前完成 事件3:经监理机构批准,新增加的土方工程N使用与C、F、J工作同一台挖土机施工。 问题: (1)在不改变各工作历时的情况下,发生事件1后,施工单位如何调整计划,使设备闲置时间最少,且满足计划工期要求? (2)按事件2新增加一项新的土方工程N后,土方工程的总费用应为多少? (3)土方工程N完成后,施工单位提出如下索赔: ①增加土方工程施工费用13.5万元; ②由于增加土方工程N后,使租用的挖土机增加了闲置时间,要求补偿挖土机的闲置费用2.4万元; ③延长工期3个月。 施工单位上述索赔是否合理?说明理由。 |
您的答案: 标准答案: (1)在C、F、J三项工作共用一台挖土机时,将网络计划图1F420160-6整成为下图。计算出各项工作的BS、BF和总工期(18个月)。因E、G工作的时间为3个月,与F工作时间相等,所以安排挖土机按C→F→J顺序施工可使机械不闲置。![]() (2)增加土方工程N后,土方工程总费用计算如下: ①增加N工作后,土方工程总量为: 23000+9000=32000 ![]() ②超出原估算土方工程量为: (32000-23000×100%)/32000=39.13%>25%,土方单价应进行调整 ③超出25%的土方量为: 32000—23000×125%=3250 ![]() ④土方工程的总费用为: 23000×125%×15+3250×13=47.35万元 (3)逐项分析如下: ①施工单位提出增加土方工程施工费用13.5万元不合理。 因为原土方工程总费用为:23000×15=345000元=34.5万元;增加土方工程N后土方工程的总费用为47.35万元;故土方工程施工费用可增加12.85万元。 ②施工单位提出补偿挖土机的闲置费用2.4万元合理。 增加了土方工作N后的网络计划见下图,安排挖土机按C→F→N→J顺J施工,由于N工作完成后到J工作的开始中间还需施工G工作,所以造成机械闲置1个月。应给予承包方施工机械闲置补偿费: 30×800=24000元=2.4万元 ![]() ③工期延长3个月不合理。 根据原计划(不增加N工作)计算的工期为18个月,增加N工作后的网络计划计算的工期为20个月如上图。因此可知,增加N工作后,计算工期增加了2个月,因此,监理工程师应批准给予承包方延长工期2个月。 |
| 本题分数: 1.88 分,你答题的情况为 错误 所以你的得分为 0 分 |
| 解析: |
| 32、 某水库枢纽工程主要由大坝及泄水闸等组成。大坝为壤土均质坝,最大坝高15.5m,坝长1135m。该大坝施工承包商首先根据设计要求就近选择某一料场,该料场土料黏粒含量较高,含水量较适中。 在施工过程中,料场上料含水量因天气等各种原因发生变化,比施工最优含水量偏高,承包商及时地采取了一些措施,使其满足上坝要求。 坝面作业共安排了A、B、C三个工作班组进行填筑碾压施工。在统计一个分部工程质量检测结果中,发现在90个检测点中,有25个点不合格。其中检测A班组30个点,有5个不合格点;检测B班组30个点,有13个不合格点;检测C班组30个点,有7个不合格点。 问题: (1)在①羊脚碾;②振动平碾;③气胎碾;④夯板;⑤振动羊脚碾等机械中,适用于该大坝填筑作业的压实机械有哪些? (2)该大坝填筑压实标准应采用什么控制?填筑压实参数主要包括哪些? (3)料场土料含水量偏高,为满足上坝要求,此时可采取哪些措施? (4)根据质量检测统计结果,试采用分层法分析,指出哪个班组施工质量对总体质量水平影响最大? |
考试交流区成绩查询交流群(点击加入QQ群可快速加群交流成绩查询相关信息我们会及时在群里通知):
温馨提示:有任何报考及考试相关疑问,可添加网校专业老师个人微信号“edu24olxu”咨询。!考生可下载手机APP,随时掌握考试资讯!

扫一扫上面的二维码,添加老师个人微信号,所有课程七折开通
相关推荐:相关文章
版权声明 --------------------------------------------------------------------------------------
如果本站所转载内容不慎侵犯了您的权益,请与我们联系
,我们将会及时处理。如转载本站内容,请注明来源:一级建造师考试网(www.jzsedu.org)。
如果本站所转载内容不慎侵犯了您的权益,请与我们联系
,我们将会及时处理。如转载本站内容,请注明来源:一级建造师考试网(www.jzsedu.org)。学员登陆
网校历年通过率

环球网校一级建造师历年通过率比较
![]() 张君老师 |
张君老师:建造师管理授课老师,硕士。课堂气氛活跃,善于调动学员积极性,被学员称为神君老师。..[详细] |
![]() 陈明教授 |
陈明:市政授课老师。有“市政之神”和“建造师市政第一人”的美誉。工程实践培训经验丰富,授课思路清晰..[详细] |










